- Главная
- Комплектующие
- Точные измерения и контроль процесса обработки
- Датчики для станков
- Прецизионная съёмная рука HPPA RENISHAW
Прецизионная съёмная рука HPPA RENISHAW
Артикул A-2275-0241
Для токарных и многоцелевых станков.
Проводная передача сигнала.
Датчик RP3.
Повторяемость 5,0 мкм, 8,0 мкм.
ООО «Эффективное производство» - официальный партнер компании RENISHAW в России
360 000 руб.
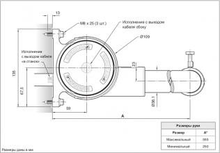
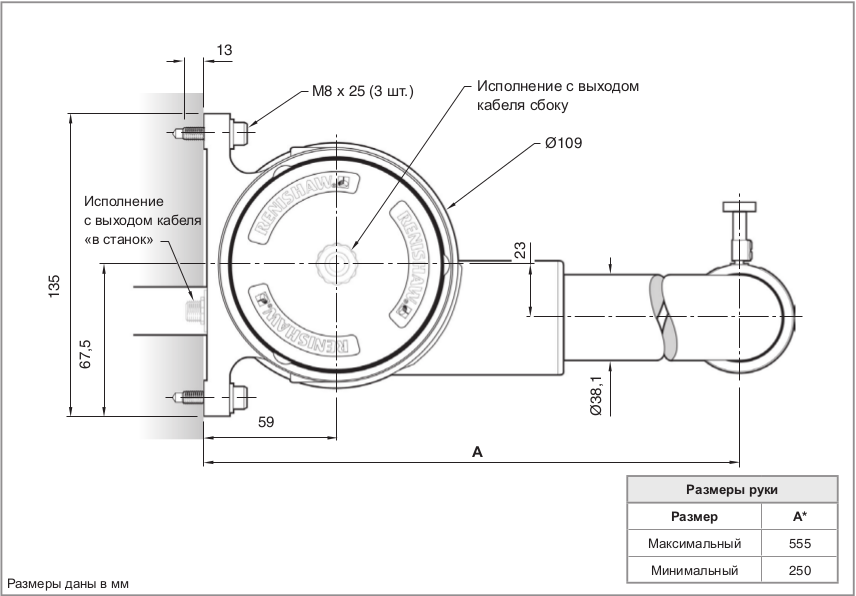
Рука HPPA — это измерительная система с ручным откидным механизмом, оснащенным контактным датчиком. Она стационарно устанавливается на токарном станке и в любой момент готова к использованию для точной настройки инструмента, измерения его длины и радиуса, а также для своевременного выявления поломок.
Запатентованный поворотный механизм обеспечивает надежную фиксацию руки и стабильную повторяемость ее положения при каждом использовании. Дополнительные устройства регулировки и фиксации не требуются. Компактная конструкция позволяет занимать минимальное пространство в рабочей зоне станка.
Рука HPPA предназначена для использования на токарных станках с ЧПУ и многофункциональных обрабатывающих центрах и обеспечивает повышение производительности за счет сокращения времени переналадки.
Преимущества съемной руки HPPA RENISHAW
- Износостойкое поворотное устройство с длительным сроком службы.
- Высокая повторяемость позиционирования благодаря запатентованному механизму.
- Держатель из специальной стали с низким коэффициентом теплового расширения.
- Компактное исполнение для установки в ограниченном пространстве станка.
- Постоянная индикация состояния системы с помощью двухцветного светодиода.
- Сокращение времени наладки инструмента до 90% по сравнению с традиционными методами.
- Защита датчика при выходе за пределы перебега с помощью ломкого предохранителя щупа.
- Поддержка щупов для инструментов диаметром 16, 20, 25, 32, 40 и 50 мм.
- Возможность автоматизированного контроля состояния инструмента в процессе обработки.
Конструкция и подключение
В составе системы используется контактный датчик с механическим срабатыванием для токарных станков и обрабатывающих центров. Датчик может применяться как для наладки инструмента, так и для установки заготовки.
Он устанавливается в специальные держатели сторонних производителей и оснащен резьбой M4 для крепления контактных щупов Renishaw. Подключение интерфейсного кабеля выполняется через OEM-комплект. Короткий корпус обеспечивает удобство работы и высокую эффективность измерений.
|
Параметр |
Значение |
|
Основное назначение |
Измерение размеров инструмента и контроль поломки на двух- и трехкоординатных токарных станках с ЧПУ |
|
Способ передачи сигнала |
Проводной |
|
Датчик |
RP3 |
|
Совместимые интерфейсы |
TSI 2, TSI 2-C |
|
Исполнение |
С выходом кабеля «в станок» / с боковым выходом |
|
Направление измерений |
±X, ±Y |
|
Повторяемость позиционирования |
5,00 мкм (2σ) — патроны 6–15" |
|
Усилие срабатывания (XY, малое) |
1,50 Н (153 гс) |
|
Усилие срабатывания (XY, большое) |
3,50 Н (357 гс) |
|
Усилие срабатывания (+Z) |
12,00 Н (1224 гс) |
|
Угол качания руки |
90° / 91° |
|
Класс защиты |
IPX8 (EN/IEC 60529) |
|
Монтаж |
Болты M8, 3 шт. |
|
Рабочая температура |
от +5 до +60 °C |
|
Резьба под щуп |
M4 |
|
Поддерживаемые диаметры инструмента |
16, 20, 25, 32, 40, 50 мм |
|
Длина кабеля |
2 м, 5 м, 10 м / 7 м |
|
Тип кабеля |
Ø 5,9 мм (5 жил) / Ø 4,0 мм (2 жилы) |
Для заказов на сумму более 50 000 руб. доставка включена в стоимость.
В других случаях рассчитывается исходя из веса отправления и региона доставки.
Возможна доставка любой удобной для заказчика ТК
Сроки доставки от 1 до 3 дней по Центральному региону
По умолчанию мы работаем с двумя курьерскими компаниями:
Major — российская компания, занимающаяся продажей автомобилей и перевозками грузов. Крупнейший, наряду с «Рольфом», автодилер страны.
DPDgroup — международная служба экспресс-доставки. В среднем ежедневно доставляет более 5 миллионов посылок. Работает под торговой марками DPD.
Это наши проверенные партнеры. Однако если вы предпочитаете работать с другой курьерской службой, у нас нет ограничений. Просто сообщите нам об этом. Мы согласуем все условия и отправим заказ с полным комплектом сопутствующей документации.
Как оплатить?
Оплата принимается по безналичному расчету. После согласования заказа мы выставляем счет на оплату. Заказ считается оплаченным после поступления суммы заказа на расчетный счет ООО «Эффективное производство».
Как получить?
География доставки — вся Россия. При перевозке грузы подлежат страхованию. Обычно доставка входит в стоимость продукции.
Приобретая продукцию у нас, вы можете быть уверены, что получаете оригинальное сертифицированное оборудование, комплектующие и оснастку.
На весь представленный ассортимент распространяется гарантия завода-изготовителя. Для каждого конкретного изделия производитель устанавливает определенный гарантийный срок. Обычно он составляет 12-36 месяцев.
Согласно п. 1 ст. 471 Гражданского кодекса РФ гарантийный срок на товар исчисляется с момента фактической передачи его покупателю.
При наступлении гарантийного случая и отсутствии следов некорректной эксплуатации, осуществляется замена неисправного оборудования в соответствии с Законом о защите прав потребителей.
Если утрата функциональности изделия связана с механическими повреждениями, попытками модификации или ремонта, нецелесообразным использованием, то компания ООО «Эффективное производство» не несет за это ответственности, а действие гарантийных обязательств прекращается.
Иногда мы сталкиваемся с ситуацией, когда подлинные запчасти работают некорректно, т.к. нарушена технология их установки. В таком случае наши инженеры удаленно помогают клиентам наладить эксплуатацию.





































